- Optixs
- Aplikace
- Spektroskopie
- Časově korelované čítání jednotlivých fotonů
Časově korelované čítání jednotlivých fotonů
Časově korelované čítání jednotlivých fotonů (TCPC = Time-Correlated Single Photon Counting) je velmi citlivá metoda umožňující měřit časově rozlišenou fluorescenci s časovým rozlišením v řádu pikosekund (ps) až nanosekund (ns). Jedná se o digitální techniku, která vychází ze statistického charakteru dohasínání luminiscenčních fotonů.
Princip měření
Při TCSPC se nechá zkoumaný vzorek opakovaně excitovat pomocí pulzního světelného zdroje s vysokou opakovací frekcencí (v řádu kHz a MHz). Okamžik vyzáření budícího pulzu slouží jako referenční čas. Během měření se zaznamenává četnost výskytu jednotlivých fotonů v různých časových okamžicích od vyzáření excitačního pulzu. Důležitou podmínkou je, že při každém excitačním pulzu může být detekován nanejvýš jeden jediný emitovaný foton. Excitační pulz představuje pro TCSPC elektroniku START signál, zatímco emisní signál (registrace prvního emisního fotonu) hraje roli STOP signálu. Intenzita fluorescence musí být navíc velmi nízká, aby bylo možné registrovat přílety jednotlivých fortonů. K detekci jednotlivých fotonů se používají fotodetektory s vysokým vnitřním ziskem. Především se jedná o fotonásobiče (PMT), mikrokanálové deskové fotonásobiče (MCP-PMT) a lavinové fotodiody (APD).
TCSPC elektronika
Hlavní komponenty pro zpracování signálu pomocí metody TCSPC jsou diskriminátor konstantní frakce (CFD = Constant fraction discriminator), převodník čas→amplituda napětí (TAC = Time-to-Amplitude Converter), zesilovač (mezi TAC a ADC) a analogově digitální převodník (ADC = Analogue-to-Digital Converter).
Excitační signál (START) a signál z detektoru (STOP) jsou vedeny na CFD, který produkuje logický časový signál v okamžiku, kdy vstupní puls dosáhne určité dané frakce své amplitudy. Převodník čas→amplituda začne vlivem časového START signálu generovat napětí lineárně rostoucí s časem. Toto napětí přestane být generováno v okamžiku, kdy převodník zaznamená příchod časového STOP signálu. Výstupní napěťový signál TAC je pak úměrný časovému intervalu mezi START a STOP signálem. Toto napětí je dále zpracováno A/D převodníkem (ADC) a uložen v paměti počítače. Pro velké množství START-STOP cyklů pak naměřený histogram odpovídá průběhu dohasínání fluorescence.
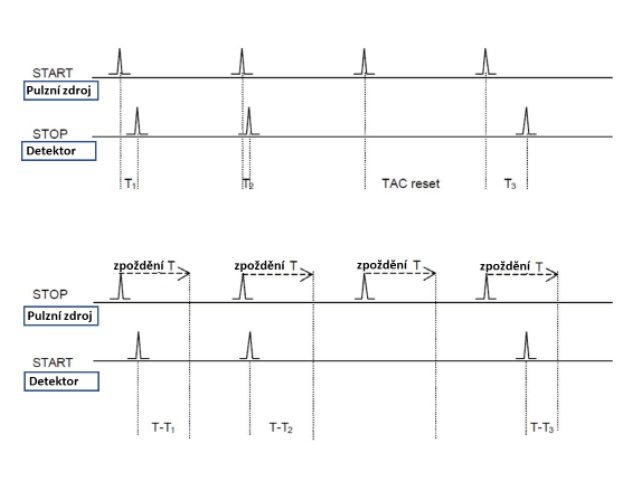
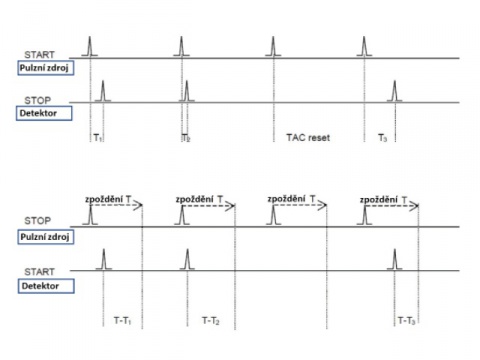
Přímý vs. reverzní režim operace
Při použití pulzních zdrojů s vysokou opakovací frekvencí má výše popsané měření v přímém režimu jasnou nevýhodu. Drtivá většina START-STOP cyklů je sice spuštěna START signálem, ale STOP signál nestihne dorazit před náběhem dalšího START pulzu a TAC je proto neustále v reset módu. Z tohoto důvodu se TCSPC elektronika často nastavuje tak, aby pracovala v tzv. reverzním režimu. Rozdíl je v tom, že emisní signál je použit jako START signál pro růst napětí na TAC a excitační pulz naopak jako STOP signál. Referenční pulzy ze světelného zdroje jsou zpožďovány, aby se dosáhlo toho, že dorazí na TAC později než START signál.
Časové rozlišení
Metoda TCSPC dokáže měřit dobu života fluorescence v rozsahu od ~5 ps do ~50 us. Dolní limit τmin (dosažitelné časové rozlišení) souvisí s veličinou nazvanou funkce odezvy přístroje (IRF = Instrument Response Function). Ideálnímu systému s extrémně úzkou časovou šířkou excitačních pulzů, nekonečně přesným detektorem a TCSPC elektronikou mající nulový jitter odpovídá IRF ve tvaru nekonečně úzké křivky (d-funkce). Odchylka od těchto ideálních podmínek vede k rozšíření funkce odezvy přístroje. Nejčastějšími limitními faktory pro dosažitelné časové rozlišení jsou časová šířka budících pulzů a schopnosti detektoru určit přesný čas příletu jednotlivých fotonů. Naměřená kinetika dohasínání fluorescence je výsledkem konvoluce IRF se skutečnou časovou odezvou. V případě rychlé fluorescenční odezvy je tedy třeba provést dodatečné matematické zpracování (dekonvoluci) změřené křivky doznívání. Numerická dekonvoluce umožňuje rozlišit doby života odpovídající přibližně 10% pološířky (FWHM) funkce odezvy přístroje (viz faktor 1/10 ve výrazu pro τmin v dolní části ilustračního obrázku). K experimentálnímu stanovení IRF se nejčastěji používá vzorek, který silně rozptyluje světlo (rozptyl probíhá o několik řádů rychleji než fluorescence a s dobrým přiblížením lze tedy považovat jeho τ→0).
Horní limit τmax je určen opakovací frekvencí pulzního excitačního zdroje a počtem temných detekcí (dark count rate) detektoru. Pokud fluorescenční signál nestihne doznít dříve, než na vzorek dopadne další pulz, vytvoří se stacionární pozadí, čímž dojde k omezení dynamického rozsahu. Stihne-li fluorescenční signál v době mezi dvěma po sobě jdoucími excitačními pulzy poklesnout na 1/10000 své špičkové hodnoty, pak se nejdelší měřitelná doba života odhaduje jako 1/10 periody budícího zdroje (viz výraz pro τmax v dolní části ilustračního obrázku). Aby nedošlo k výraznému poklesu přesnosti měření, měla by maximální hodnota počtu temných detekcí číselně odpovídat 5% hodnoty opakovací frekvence budícího zdroje (tj. například detektor s 50000 cps by měl být použit v kombinaci se světelným zdrojem o frekvenci > 1 MHz).





